Página 1 de 1
Poner palanca de cambio en N con motor parado
Publicado: 25 Ene 2016 10:52
por jalvarez
Hola a todos:
Se ha estropeado el ordenador de la planca del cambio automático en J de mi S-type 2.7D (Model Year 2006). Necesito cargarlo en una grua para llevarlo al taller y sustituir el componente electrónico de dicho subsistema, caso en que no lo pueda resolver por medios propios.
Por favor ¿alguien sabe si es posible poner la palanca del cambio automático en la posicion N para liberar la caja de cambios de las ruedas traseras y poder arrastrar el vehículo a la grua?. Recuérdese que no puedo arrancar el motor.
Se que se ha estropeado el ordenador de la palanca de cambios en J (porque no deja funcionar el motor de arranque y ya he verificado que el problema no es la llave, que en su posición III, no manda corriente a la bobina de excitación del relé que alimenta el solenoide del motor de arranque, ni el propio relé, ni la batería), le he pinchado la sonda software OBDTESTER y el ECU PCM (ordenador que gobierna el motor) tiene registrado el error DTC "U0103-00 Gear shift module: No communication", el ECU TCM (ordenador que gobierna la caja de cambios automática ZF 6HP24), me dice lo mismo.
En la linea de preguntas:
1.- ¿Esto le ha pasado a alguien antes? La caja de cambios ZF 6HP24 es común a S-Type, XK, XJ y algunos XF)
2.- ¿Sabeis si se puede conseguir en algún sitio, sólo el componente electrónico del subsistema "cambio en J"?
3.- ¿Alguien me puede aportar cualquier estrategia de reparación?. Lo gradezco de antemano porque estoy un pelín espeso.
Nunca antes habia mirado en detalle el mecanismo de funcionamiento del motor eléctrico de arranque. La conexión al positivo de la batería (+12V) la hace la llave de arranque en la posición III, como consume mucho, utiliza un relé intercalado para no estropear los contactos de la llave de arranque, pero lo ingenioso es que, quien cierra el circuito de la bobina de excitación del relé, es un relé interno al ECU PCM (ordenador que gobierna el funcionamiento del motor) que lo conecta al chasis del vehículo (0V de la batería), de tal forma que si no se cumplen las reglas de seguridad (que a saber cuales son, porque Jaguar no las hace públicas), no cierra el circuito, con lo cual ni deja funcionar el motor de arranque para que no arranque el motor.
Gracias anticipadas a todos por vuestra ayuda.
Javier
Re: Poner palanca de cambio en N con motor parado
Publicado: 25 Ene 2016 13:37
por Rota
primero levanta el cerco de la pieza en la que está la J del cambio. La J se queda en su sitio
(el cerco está sujeto a presión)
ayudandote de una linterna, veras que en el costado externo izquierdo de un conjunto de plástico en forma de caja, en la parte media-superior hay una pieza de color negro que, si te ayudas empujando con un destornillador de punta plana, verás que gira sobre su eje sin demasiado esfuerzo
Ese giro (menos de 90º) libera el recorrido de la palanca sobre la J
ahí lo tienes. Para eso lo han puesto ahí los diseñadores de Jaguar, pero no lo dicen en ningun sitio.
Dime si te funciona
Re: Poner palanca de cambio en N con motor parado
Publicado: 25 Ene 2016 14:02
por Rota
Si te fuera posible acceder a ese ordenador, podríamos intentar identificarlo y:
a) ver posibilidad de comprar uno nuevo en UK
b) ver posibilidad de enviar a reparar a UK
Re: Poner palanca de cambio en N con motor parado
Publicado: 25 Ene 2016 15:37
por jalvarez
Hola Rota:
Muchas gracias por tus indicaciones. Cuando llegue esta tarde a casa, hago lo que me has indicado y pondré una foto de lo que se vea.
Gracias por tu sabiduría en proporcionar visibilidad sobre los sitios ocultos en Internet (en un DAFO sería una de mis debilidades), asi que si identifico que lo puedo desmontar y soy capaz de hacerlo, te seguiré preguntando.
Gracias de nuevo. Mantendré al tanto de la evolución
Javier
Re: Poner palanca de cambio en N con motor parado
Publicado: 25 Ene 2016 20:15
por jalvarez
Hola de nuevo:
He quitado la tapa del módulo del cambio. Efectivamente ahí está la pieza que girándola un pòco me ha permitido poner la planca en N.
Mi problema es que lo que tengo que buscar es un circuito impreso que está justo debajo de la tapa negra (porque veo los cables llegar) y no se como puedo desmontar la pieza negra que aloja los LED que se iluminan cuando cambias la palanca de sitio, porque el conjunto está fijado con 4 tornillos, 2 delante y 2 detrás. Los detrás tienen salida fácil, pero los de delante quedan medio tapados por una pieza de plástico que hay justo debajo del cenicero. Pongo 2 fotos:
Foto del conjunto de la palanca de cambio
Detalle con la leva que hay que girar para desbloquear la palanca del cambio, que indicó Rota.
Los cables de comunicaciones entran en la parte alta, asi que si supiese como desarmar esa parte sin romperla, tendría acceso al ECU, que es lo único que necesito cambiar, porque ya he leido que este ECU no tiene dependencia con ningún otro en materia de configuración.

- foto3.jpg (110.69 KiB) Visto 15506 veces
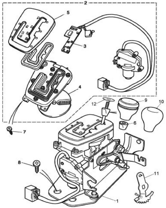
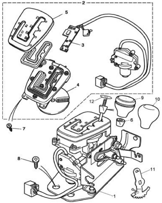
Este es el despiece del JEPC. Lo único que necesito sustituir es la referencia nº 3, que continene el micro con el software, el controlador del bus can y el driver de línea que conecta las 2 patas del bus CAN (una viene del lado del bus del motor y la otra va al lado del bus que va al panel de instrumentos).
Si se pudiese conseguir solo la referencia nº 3, ya vería como sustituirla, aunque yo de mecánica no soy muy manitas.
Saludos y gracias
Javier
Re: Poner palanca de cambio en N con motor parado
Publicado: 25 Ene 2016 21:03
por Rota
puedes preguntar, con la referencia nº 3, si la suministran en Jaguar?
desmontar lo necesario para llegar ahí no es cómodo, pero me parece posible sin romper nada aunque hay mucho plástico
voy a mirar el mio
te comento
Re: Poner palanca de cambio en N con motor parado
Publicado: 26 Ene 2016 13:06
por Rota
Esa pieza negra de plástico que tapa los dos tornillos delanteros tiene dos tapones que cubren dos tornillos de cabeza estrella que quedan visibles cuando retires los tapones con algo afilado. Despues de quitar la pieza negra de plástico tendrás los dos tornillos "delanteros" muy accesibles. Ya has visto que son torx (me parece que la llave adecuada es una T20)
Eso será fácil
lo que no puedo ver bien es lo accesible que será el conector que veo que está por la parte baja de todo ese conjunto. Me parece que eso va a ser clave
Re: Poner palanca de cambio en N con motor parado
Publicado: 26 Ene 2016 13:50
por jalvarez
Hola Rota:
Muchisimas gracias por tu ayuda y el trabajo que te estás tomando, esto justifica que uno tenga actitud de ayuda a terceros.
He decidido llevarlo a PREMIER de Móstoles en una grua, que afortunadamente cubre la póliza de seguro.
Con la información que me has facilitado voy a poder desbloquear la caja de cambios y pasar la palanca de la posición P a la N para poder cargarlo en la grua y descargarlo después (la mecánica no es mi fuerte, me manejo mejor en control).
Voy a desconectar la batería para evitar que el inclinómetro pueda generar un falso positivo, como si lo estuviese robando, y que no tenga sobrecostes por los contra-códigos que debería obtener de Jaguar para desbloquearlo.
Como es una avería poco común, intentaré documentarla para otros usuarios.
Mi agradecimiento de nuevo Rota.
Javier
Re: Poner palanca de cambio en N con motor parado
Publicado: 19 Feb 2016 08:27
por jalvarez
Hola a todos:
Finalmente he podido reparar la palanca de cambio utilizando el componente de control que me facilitó Rota (de una que había adquirido él en Inglaterra) y la parte mecánica que tenía mi vehículo. El conjunto de palanca que me facilitó (dio) Rota, tenía la pieza que bloquea la palanca en la posición P hasta que no pisas el freno, destrozada (su dueño anterior no le avisó nadie de cómo se desbloqueaba y lo hizo por fuerza bruta), así que de 2 conjuntos de palanca hice uno.
Esta reparación no la hubiese podido hacer sin la colaboración de Rota, así que vaya por delante mi agradecimiento y atendiendo su amable sugerencia, ingreso de una cantidad a favor de Cruz Roja.
Debo decir que de esta avería he ganado más que he perdido. He ganado la satisfacción de recibir ayuda de alguien a quien no conocía y lo más importante, la satisfacción que se siente ante un gesto noble, gracias al cual he podido finalizar la reparación.
Volviendo al tema de la reparación, he identificado que el controlador J-GATE que lleva la palanca en J es del fabricante INFINEON. Si os pasara esto a algún otro forero, hay que revisar la versión del software del controlador, en mi caso la palanca donante era Model Year 2003, por tanto X202 y aunque parecen iguales, no son estrictamente iguales y se ha modificado ligeramente el funcionamiento, pero sirve (ahora si pongo la palanca en P y no piso el freno de pie, parpadea la P). Indicar que la versión X206 (Model Year 2006) incluye el micro-interruptor que detecta que la palanca está en la posición P en una posición más alta (para conseguir mayor sensibilidad), lo que se traduce en que va embutida en la envolvente que aloja la electrónica, que para desmontarla, me atrevería a decir que no hay forma de hacerlo sin romper los engarces de 4 uñas de plástico.
Estoy intentando identificar (usando ingeniería inversa) como funciona la palanca, pues el mecanismo es muy ingenioso, porque no hay contacto mecánico, solo un par de imanes ubicados estratégicamente en la pieza redonda que gira y tapa la ranura cuando movemos la palanca a alguna de las 8 posiciones posibles (P, R, N, D, 5, 4, 3, 2) y un sensor de color negro, que tengo que ver que es.
Como corolario, a quien lea esto: Si tienes un vehículo con cambio automático, preocúpate de saber cómo se libera mecánicamente la palanca de la posición P para poder remolcar el vehículo sin destrozar la caja de cambios, cuando el motor no arranca, está estropeado el control (mi caso) o no hay batería.
Cuando tenga más detalles, los comentaré.
Saludos
Javier
Re: Poner palanca de cambio en N con motor parado
Publicado: 19 Feb 2016 09:07
por Nacapaca
Muy interesante. Muchas gracias