El portón del maletero no abre ni con mando ni con pulsador
-
- En rodaje...
- Mensajes: 28
- Registrado: 29 Nov 2016 14:35
El portón del maletero no abre ni con mando ni con pulsador
Buenas tardes, os pido ayuda porque no se que me ha pasado, pero se a quedado la puerta del maletero cerrada y no puedo abrirla ni con el mando ni pulsando el botón de apertura, es como si se hubiera quedado sin corriente la cerradura, alguien sabe la solución a este problema? Le ha pasado a alguien? Lo mismo sin querer he dado a los botones del mando y he activado una combinación...
Ayudarme por favor que no puedo sacar las cosas del maletero.
Ayudarme por favor que no puedo sacar las cosas del maletero.
Re: El portón del maletero no abre ni con mando ni con pulsador
Hola jesusmaria1976:
Tiene que haber una alternativa mecánica para su apertura, adicionalmente a la apertura eléctrica que se activa via radio con el mando de la llave (el mando se comunica con el ECU IC y éste con el ECU REM al que está conectada la cerradura del capot del maletero). No se como es exactamente la del X-Type, pero mirando la foto de la cerradura, parece tener un engarce para un cable de acero rígido que empuje.
http://www.terrysjag.com/product/X-Type ... 45014.html
En el caso del S-Type, cuando se rompe algún diente de la rueda que hace girar el motorcito eléctrico de la cerradura del capot, la alternativa es desmontarlo, poner la cerradura debajo del grifo con agua caliente para quitar la grasa y el diente atascado. Una vez lo has quitado, si no es muy crítico el diente que se ha roto, le vuelves a poner grasa de litio a tope y lo vuelves a montar.
He sido incapaz de localizar ni en el mnaual de taller ni en el manual del propietario el procedimiento.
http://topix.jaguar.jlrext.com/topix/se ... ment/78661
http://www.the-colliers.net/docs/public ... 1-2009.pdf
Saludos
Javier
Tiene que haber una alternativa mecánica para su apertura, adicionalmente a la apertura eléctrica que se activa via radio con el mando de la llave (el mando se comunica con el ECU IC y éste con el ECU REM al que está conectada la cerradura del capot del maletero). No se como es exactamente la del X-Type, pero mirando la foto de la cerradura, parece tener un engarce para un cable de acero rígido que empuje.
http://www.terrysjag.com/product/X-Type ... 45014.html
En el caso del S-Type, cuando se rompe algún diente de la rueda que hace girar el motorcito eléctrico de la cerradura del capot, la alternativa es desmontarlo, poner la cerradura debajo del grifo con agua caliente para quitar la grasa y el diente atascado. Una vez lo has quitado, si no es muy crítico el diente que se ha roto, le vuelves a poner grasa de litio a tope y lo vuelves a montar.
He sido incapaz de localizar ni en el mnaual de taller ni en el manual del propietario el procedimiento.
http://topix.jaguar.jlrext.com/topix/se ... ment/78661
http://www.the-colliers.net/docs/public ... 1-2009.pdf
Saludos
Javier
-
- En rodaje...
- Mensajes: 28
- Registrado: 29 Nov 2016 14:35
Re: El portón del maletero no abre ni con mando ni con pulsador
Gracias jalvarez por tu rápida respuesta, he indagado en el tema y quitando la matrícula hay una cerradura, mañana lo voy a probar.
También existe la posibilidad que este en modo taller, que se bloquea el portón del maletero y la guantera.
Mañana cuando pruebe las opciones lo comento por si alguien tiene un problema parecido.
También existe la posibilidad que este en modo taller, que se bloquea el portón del maletero y la guantera.
Mañana cuando pruebe las opciones lo comento por si alguien tiene un problema parecido.
Re: El portón del maletero no abre ni con mando ni con pulsador
De estar en modo "VALLET", el botón de activación/desactivación está dentro de la guantera.
Se me pasó comentar que el S-Type y creo que también el XJ, tiene una cerradura en el portón en la que introduces el espadín de la llave y la abres empujando con un cable acerado el mismo tetón que empuja el motorcito eléctrico, funciona en paralelo. Si no has abierto primero las puertas, se activa la alarma.
Saludos
Javier
Se me pasó comentar que el S-Type y creo que también el XJ, tiene una cerradura en el portón en la que introduces el espadín de la llave y la abres empujando con un cable acerado el mismo tetón que empuja el motorcito eléctrico, funciona en paralelo. Si no has abierto primero las puertas, se activa la alarma.
Saludos
Javier
-
- En rodaje...
- Mensajes: 28
- Registrado: 29 Nov 2016 14:35
Re: El portón del maletero no abre ni con mando ni con pulsador
Creo que esa que me comentas esta debajo de la matrícula, hoy voy a mirar haber si esta, lo del modo " VALLET " creo que el x type no lo lleva en la guantera, o por lo menos no he visto nada en ella.
-
- En rodaje...
- Mensajes: 28
- Registrado: 29 Nov 2016 14:35
Re: El portón del maletero no abre ni con mando ni con pulsador
Nada, por lo que veo no hay forma mecánica de abrir el portón del maletero del jaguar x type, ni en la guantera, ni en la matrícula, ni en ningún lado hay accionamiento mecánico para abrir, me toca esperar al lunes y esperar haber la máquina de diagnóstico.
Si alguien a tenido un problema similar y sabe alguna solución que por favor lo diga o calle para siempre jejeje
Si alguien a tenido un problema similar y sabe alguna solución que por favor lo diga o calle para siempre jejeje
-
- En rodaje...
- Mensajes: 28
- Registrado: 29 Nov 2016 14:35
Re: El portón del maletero no abre ni con mando ni con pulsador
Por si alguien lo intenta alguna vez, si quitamos los asientos hay 2 vigas centrales que no nos permiten acceder dentro del maletero. Pensé que iba a ver un hueco por donde entrar, pero es imposible, lo que si me a extrañado es que al pulsar la apertura del maletero desde el mando suena un ruidillo pordenar la zona de la guantera
Re: El portón del maletero no abre ni con mando ni con pulsador
Hola , me gustaría saber si alguien encontró solución para el problema de abrir el maletero, mi Xtype es de los últimos 2008 y no tiene cerradora detrás de la matrícula ni nada, tiene asientos abatibles pero estos se actúan desde dentro del maletero y al darle al botón del mando se escucha un clic a la altura de la guantera , si alguien sabe como abrirlo que me lo diga y hago un brico video con la reparación , gracias.
Re: El portón del maletero no abre ni con mando ni con pulsador
Bueno , os dejo un brico para abrir el maletero , pero la pena es que solo vale para los asientos traseros abatibles.
https://youtu.be/DfIsXyjWu54
https://youtu.be/DfIsXyjWu54
Re: El portón del maletero no abre ni con mando ni con pulsador
Buenas noches ( XType 2.2 Diesel 2006 )
Leyendo este hilo, me he dado cuenta que aunque cuando pulso el botón del mando para abrir el maletero, es de suponer que se abra, no?
Bien, el ruido se oye perfectamente, pero no se abre, sino que hay que accionar manualmente el botón para proceder a su apertura
Pueden ser los pequeños "amortiguadores" que tiene el maletero y que no tienen suficiente fuerza para abrirlo, y si no, alguna sugerencia?
Gracias anticipadas
Leyendo este hilo, me he dado cuenta que aunque cuando pulso el botón del mando para abrir el maletero, es de suponer que se abra, no?
Bien, el ruido se oye perfectamente, pero no se abre, sino que hay que accionar manualmente el botón para proceder a su apertura
Pueden ser los pequeños "amortiguadores" que tiene el maletero y que no tienen suficiente fuerza para abrirlo, y si no, alguna sugerencia?
Gracias anticipadas
Re: El portón del maletero no abre ni con mando ni con pulsador
Aquí tienes un brico de cómo abrir el maletero.
https://www.youtube.com/watch?v=DfIsXyjWu54&t=7s
https://www.youtube.com/watch?v=DfIsXyjWu54&t=7s
Re: El portón del maletero no abre ni con mando ni con pulsador
Buenas tardes, me ha pasado lo mismo que comenta el compañero al comienzo de este hilo. He mirado los videos y mi coche no tiene asientos abatibles, y me urge poder abrir el maletero de alguna forma lo más rápidamente posible. Algún consejo?
Re: El portón del maletero no abre ni con mando ni con pulsador
Pues lo tienes muy complicado, no se me ocurre ninguna manera de solucionarlo.
Re: El portón del maletero no abre ni con mando ni con pulsador
Al final, lo que hice fue quitar la matrícula, y con cuidado para no meter el disco mucho, hacer con una radial pequeña un rectángulo cortando la chapa sin llegar a cortar la parte superior del rectángulo para que quede como si fuese una "puerta" y de esa manera pude abrir. Es posible que haya otras posibilidades pero como se suele decir "a grandes males grandes remedios".
He estado fuera unos días. Ahora queda conseguir la cerradura y después cuatro puntos de soldadura y sellado del resto.
Ya veremos en qué y cómo acaba
He estado fuera unos días. Ahora queda conseguir la cerradura y después cuatro puntos de soldadura y sellado del resto.
Ya veremos en qué y cómo acaba
Re: El portón del maletero no abre ni con mando ni con pulsador
Me alegro que solucionarlas al final, pero este es un gran error de diseño de este coche
Re: El portón del maletero no abre ni con mando ni con pulsador
Hola buenas tardes. Hoy en mi XTYPE 2004. Sin asientos abatibles. Me he quedado que no puedo abrir maletero.
Mando distancia funciona
Presionando botón apertura maletero actúa y se oye cómo manda orden.
No abre el maletero. He pensado que se ha podido quedar atrapado el cierre con algo al cerrar y no libera.
Se os ocurre alguna forma de mirarlo. Ya que no se co.o abrir el maletero.
Gracias
Mando distancia funciona
Presionando botón apertura maletero actúa y se oye cómo manda orden.
No abre el maletero. He pensado que se ha podido quedar atrapado el cierre con algo al cerrar y no libera.
Se os ocurre alguna forma de mirarlo. Ya que no se co.o abrir el maletero.
Gracias
Re: El portón del maletero no abre ni con mando ni con pulsador
No creo que sea lo que ya solucioné hace tiempo con pieza desguace
https://www.forojaguar.com/foro/viewtopic.php?t=9864
Creo que es sencillamente no libera la cerradura. Cable roto o similar. Pero sin poder abrir maletero imposible
https://www.forojaguar.com/foro/viewtopic.php?t=9864
Creo que es sencillamente no libera la cerradura. Cable roto o similar. Pero sin poder abrir maletero imposible
Re: El portón del maletero no abre ni con mando ni con pulsador
Me temo que no me queda otra opción para abrir el maletero
https://youtu.be/Lq1yQpJSbTU
Que desmotar asientos traseros e intentar acceder por maletero.
Detrás placa matrícula no veo otra que cortar chapa y creo es peor.
Trucos para abrir?
https://youtu.be/Lq1yQpJSbTU
Que desmotar asientos traseros e intentar acceder por maletero.
Detrás placa matrícula no veo otra que cortar chapa y creo es peor.
Trucos para abrir?
Re: El portón del maletero no abre ni con mando ni con pulsador
Hola OCOLLADO,
La mejor solución es la del vídeo. Si cortas la chapa, posiblemente no haya hueco por donde empujar la pieza que desploquea la cerradura.
Echale un poco de paciencia, en el vídeo se ve claramente como desmontar el asiento trasero. Antes de soldar el cable o cables rotos, mételes funda retráctil, porque la cinta aislante es un poco guarrería. Si no tienes la herramienta de embutir los cables, puedes usar un cable rígido, al que le doblas la punta en U para que no se atasque al pasar por la goma. Le pones un poco de baselina en la punta (ojo!, baselina, no grasa).
Saludos
Javier
La mejor solución es la del vídeo. Si cortas la chapa, posiblemente no haya hueco por donde empujar la pieza que desploquea la cerradura.
Echale un poco de paciencia, en el vídeo se ve claramente como desmontar el asiento trasero. Antes de soldar el cable o cables rotos, mételes funda retráctil, porque la cinta aislante es un poco guarrería. Si no tienes la herramienta de embutir los cables, puedes usar un cable rígido, al que le doblas la punta en U para que no se atasque al pasar por la goma. Le pones un poco de baselina en la punta (ojo!, baselina, no grasa).
Saludos
Javier
Re: El portón del maletero no abre ni con mando ni con pulsador
Si así lo haré.
Yo creo que es un fallo de diseño. La verdad es que no poder abrir desde fuera el portón mecanicamente es una faena, si es cierto que es más seguro.
Gracias, me pondré a ello.
Yo creo que es un fallo de diseño. La verdad es que no poder abrir desde fuera el portón mecanicamente es una faena, si es cierto que es más seguro.
Gracias, me pondré a ello.
Re: El portón del maletero no abre ni con mando ni con pulsador
Al accionar el mando a distancia/cerradura si pegaba la oreja notaba que quería abrir es decir se accionaba por 4 veces luego se paraba y al rato a volver a intentarlo, una vez cerrado el cierre del coche y abierto.
Eso mi hizo pensar que realmente funcionaba, si bien no tenía fuerza para abrir o liberar el encanche de la cerradura completamente.
Con un destornillador grande y un paño, hice un poco de palanca en el centro al tiempo que daba al mando, con lo cual hacía fuerza hacia arriba, finalmente al 3º intento se abrió. EL daño en el bisel del portón es mínimo y una vez enderezado ni se nota. Con lo cual me ahorre la totalidad de la operación de intentar abrirlo desde el interior. Esa opción era la siguiente que me quedaba.
Finalmente el problema está en este elemento. sin conectar al mando cerradura entraba y salia completamente, una vez conectado, no tenía fuerza se quedaba a la mitad de recorrido, por eso hacía intención de abrir, pero no abría y al ayudarle con el destornillador haciendo palanca libero y abrió, quedaba a mitad recorrido la liberación del portón
Una vez desmontado lo veo un poco doblado el vástago quizás ese es el motivo por el cual no hace su recorrido completo una vez tiene presión. Ya he localizado una cerradura completa de desguace por 20€ y voy a cambiar los amortiguadores maletero que cierran muy brusco y aver si tanta brusquedad han sido la causa de que esté el vástago doblado y no actue todo el recorrido
Eso mi hizo pensar que realmente funcionaba, si bien no tenía fuerza para abrir o liberar el encanche de la cerradura completamente.
Con un destornillador grande y un paño, hice un poco de palanca en el centro al tiempo que daba al mando, con lo cual hacía fuerza hacia arriba, finalmente al 3º intento se abrió. EL daño en el bisel del portón es mínimo y una vez enderezado ni se nota. Con lo cual me ahorre la totalidad de la operación de intentar abrirlo desde el interior. Esa opción era la siguiente que me quedaba.
Finalmente el problema está en este elemento. sin conectar al mando cerradura entraba y salia completamente, una vez conectado, no tenía fuerza se quedaba a la mitad de recorrido, por eso hacía intención de abrir, pero no abría y al ayudarle con el destornillador haciendo palanca libero y abrió, quedaba a mitad recorrido la liberación del portón
Una vez desmontado lo veo un poco doblado el vástago quizás ese es el motivo por el cual no hace su recorrido completo una vez tiene presión. Ya he localizado una cerradura completa de desguace por 20€ y voy a cambiar los amortiguadores maletero que cierran muy brusco y aver si tanta brusquedad han sido la causa de que esté el vástago doblado y no actue todo el recorrido
Re: El portón del maletero no abre ni con mando ni con pulsador
Hola buenas tardes.
Tengo unas dudas. En vuestros X-Type al accionar pulsador apertura maletero lucen las bombillas matrícula???
En el mío si y me ha extrañado. No soy capaz de arreglar y que abra maletero es como si faltará intensidad y se fuera por las bombillas matrícula
Procedo a quitar las bombillas. La cerradura no actúa
Coloco una de las dos bombillas doy al pulsador luce la bombilla y el accionamiento cerradura hace medio recorrido
Coloco las dos bombillas doy al pulsador lucenblas dos bombillas y el accionamiento de la cerradura hace casi todo recorrido pero no llega a abrir.
Desmonto embellecedor donde está pulsador y las luces no veo nada raro y los cables buen estado.
En vuestros X-Type al abrir maletero lucen bombillas matrícula?? No tiene sentido y que con una bombilla solo tenga mitad de fuerza cerradura.
No se que puede ser y no le encuentro explicación, si me podéis orientar.
Gracias
Tengo unas dudas. En vuestros X-Type al accionar pulsador apertura maletero lucen las bombillas matrícula???
En el mío si y me ha extrañado. No soy capaz de arreglar y que abra maletero es como si faltará intensidad y se fuera por las bombillas matrícula
Procedo a quitar las bombillas. La cerradura no actúa
Coloco una de las dos bombillas doy al pulsador luce la bombilla y el accionamiento cerradura hace medio recorrido
Coloco las dos bombillas doy al pulsador lucenblas dos bombillas y el accionamiento de la cerradura hace casi todo recorrido pero no llega a abrir.
Desmonto embellecedor donde está pulsador y las luces no veo nada raro y los cables buen estado.
En vuestros X-Type al abrir maletero lucen bombillas matrícula?? No tiene sentido y que con una bombilla solo tenga mitad de fuerza cerradura.
No se que puede ser y no le encuentro explicación, si me podéis orientar.
Gracias
Re: El portón del maletero no abre ni con mando ni con pulsador
Hola OCOLLADO,
Por lo que comentas, el problema es que te falta el cable de retorno de corriente que conecta con el chasis la alimentación de la cerradura, habitualmente referido como masa (el cahsis actua como conductor que conecta con el borne negativo de la batería). Por dicha razón el retorno se ejecuta a través de las bombillas y como éstas tienen una resistencia, la tensión con la que alimentas el motor de la cerradura es inferior a 12V (12V menos la caida de tensión que generan las bombillas) y le falta potencia (Potencia = Tensión al cuadrado / Resistencia, observa que la potencia depende del cuadrado de la tensión).
Mira en el esquema eléctrico los puntos de masa. Como no se que Model Year es el tuyo (se corresponde con el dígito en la posición 10 del VIN), busca aquí el que corresponda:
http://jagrepair.com/JaguarXTypeElectri ... Icodes.htm
En el manual de 2007, el esquema "Ground Point Location" está en la página 26 del lector de PDF.
Saludos
Javier
Por lo que comentas, el problema es que te falta el cable de retorno de corriente que conecta con el chasis la alimentación de la cerradura, habitualmente referido como masa (el cahsis actua como conductor que conecta con el borne negativo de la batería). Por dicha razón el retorno se ejecuta a través de las bombillas y como éstas tienen una resistencia, la tensión con la que alimentas el motor de la cerradura es inferior a 12V (12V menos la caida de tensión que generan las bombillas) y le falta potencia (Potencia = Tensión al cuadrado / Resistencia, observa que la potencia depende del cuadrado de la tensión).
Mira en el esquema eléctrico los puntos de masa. Como no se que Model Year es el tuyo (se corresponde con el dígito en la posición 10 del VIN), busca aquí el que corresponda:
http://jagrepair.com/JaguarXTypeElectri ... Icodes.htm
En el manual de 2007, el esquema "Ground Point Location" está en la página 26 del lector de PDF.
Saludos
Javier
Re: El portón del maletero no abre ni con mando ni con pulsador
Muchas gracias.
Voy a ver si doy con ello
Voy a ver si doy con ello
Re: El portón del maletero no abre ni con mando ni con pulsador
Hola buenos días.
He estado mirando el manual guia eléctrico de mi x-type 2004.
Entiendo que debe estar cortada o sin continuidad la linea Ground o Black en el tramo que comparten las luces de la placa de matricula con el sistema de accionamiento interruptor motor cerradura maletero, señalado en rojo en ambos esquemas.
Por otra parte veo 4 puntos de masa en el maletero, creo que eso es lo último a revisar después de revisar la línea común (señalada en rojo). ¿estoy planteándolo bien?
Los 4 puntos ground trunk dónde se encuentran?
He estado mirando el manual guia eléctrico de mi x-type 2004.
Entiendo que debe estar cortada o sin continuidad la linea Ground o Black en el tramo que comparten las luces de la placa de matricula con el sistema de accionamiento interruptor motor cerradura maletero, señalado en rojo en ambos esquemas.
Por otra parte veo 4 puntos de masa en el maletero, creo que eso es lo último a revisar después de revisar la línea común (señalada en rojo). ¿estoy planteándolo bien?
Los 4 puntos ground trunk dónde se encuentran?
Re: El portón del maletero no abre ni con mando ni con pulsador
Hola OCOLLADO,
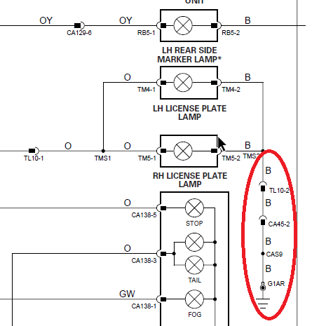
Efectivamente, si mides resistencia entre el punto TM6-3 y el chasis y la resistencia no es cero o casi cero, hay una falta de continuidad en el tramo TMS2 a G1AR, Pueden ser los conectores TL10-2 o CA45-2, incluso TM6-3, cualquiera de ellos hace mal contacto, incluso el G1AR hace mal contacto.
Saludos
Javier
Efectivamente, si mides resistencia entre el punto TM6-3 y el chasis y la resistencia no es cero o casi cero, hay una falta de continuidad en el tramo TMS2 a G1AR, Pueden ser los conectores TL10-2 o CA45-2, incluso TM6-3, cualquiera de ellos hace mal contacto, incluso el G1AR hace mal contacto.
Saludos
Javier
Re: El portón del maletero no abre ni con mando ni con pulsador
Muchas gracias, a ver si el fin de semana le saco un hueco y lo miro, ya comentaré
Saludos
Saludos
Re: El portón del maletero no abre ni con mando ni con pulsador
Solucionado cable masa cortado en el tubo flexible donde van los cables del portón del maletero al resto del coche.. también se me cortó ahí en ese tubo un cable de la luz de matrícula en el jaguar XF.
Que poco recorrido dan a los cables podían ser unos cm más generosos estos de Jaguar.
Que poco recorrido dan a los cables podían ser unos cm más generosos estos de Jaguar.