Ruiditos tren trasero xkr

Modelos Jaguar XK8, XK y XKR
Avatar de Usuario
Jag XK8R
En rodaje...
En rodaje...
Mensajes: 15
Registrado: 29 Ene 2015 21:11

Ruiditos tren trasero xkr

Mensaje sin leer por Jag XK8R »

Buenas tardes señores , me presento en el foro y me gustaria enviar un saludo a todos los amantes de estos maravillosos y locos coches ingleses.

He adquirido un xkr de finales del 2000. por no tener presupuesto para un E tipe, ni para un XJS V 12, este tampoco me lo puedo permitir¡¡ jeje... pero estoy mas que contento con mi adquisicion ya que el bloque motor fue cambiado por jaguar hace 35k y va maravillosamente fino el V8 Supercharged. Tiene kmtros totales 135K.

Aprovechando que habia que cambiar amortiguacion que ya tocaba, es la version con suspension adaptativa ( la de cable) y he cambiado la suspension completa por un kit Arden (CATS) tambien he montado silenblocks de poliuretano Power flex ya de paso.
El vehiculo ha mejorado bastante en comportamiento pero ha quedado un ruidito por la zona del tren trasero al torsionar este con vaches o badenes de los pasos de cebra (muertos) por ejemplo al bajar los muerto , pero no al subir y sobre todo si el movimiento es movimiento trasversal y no apoyan las dos ruedas traseras a l mismo tiempo... me han revisado de nuevo el kit montado y parece que todo esta bien , el ruido es semejante al que hace el escape al tocar con algo... pero el sistema escape tambien lo han revisado, me quedan mirar los pasos de ruedas que lo hare la proxima semana, no se si aguien tiene idea de donde puede provenir el ruidito del felino :rolleyes: espero que no sea de diferencial o algo caro...

muchas gracias y un saludo
Avatar de Usuario
Jag XK8R
En rodaje...
En rodaje...
Mensajes: 15
Registrado: 29 Ene 2015 21:11

Re: Ruiditos tren trasero xkr

Mensaje sin leer por Jag XK8R »

Me han comentado q suelen ser las gomas.de.los.anclajes del escape... Quizas sea de esto no se si a alguien le ha ocurrido algo parecido...en todo caso intentare conseguir unas nuevas y probar
Avatar de Usuario
angel16
Acelerando...
Acelerando...
Mensajes: 182
Registrado: 14 Abr 2013 12:52
Ubicación: Madrid

Re: Ruiditos tren trasero xkr

Mensaje sin leer por angel16 »

Por dar mas posibilidades, mira tambien la rueda de respuesto y bateria que esten bien anclado. Entiendo que al cambiar la amortiguación habras cambiado tambien los cojinetes (donde apoyan) los amoriguadores traseros que tambien dicen que es una fuente de ruidos y por ultimo y antes de meterte con el diferencial mira las juntas de la transmision no tengan un pelin de holgura

Suerte y ya nos dices,

Angel
Avatar de Usuario
Jag XK8R
En rodaje...
En rodaje...
Mensajes: 15
Registrado: 29 Ene 2015 21:11

Re: Ruiditos tren trasero xkr

Mensaje sin leer por Jag XK8R »

Gracias Angel, lo cierto es que no estoy seguro de si han cambiado los rodamientos q comentas. Supongo que van en las copelas del amotiguador en la parte superior?, Con el kit de amortiguacion creo que no venian, venian los 4amortiguadores , unos bilstein amarillos y los cuatro muelles creo q un pelin mas gordos . Lo averiguare en el taller que me los ha montado. Segun me han dicho los han sacado otra vez y vuelto a montar para comprobar, pero el ruidito continua.
Ya comentare en un futuro cuando descubra de donde proviene. Y si el anclaje de la bateria y la rueda de repuesto lo he comprobado... Me han asegurado que en lo referente a seguridad no hay nada mal ...seguire investigando ...sldo.

(Ahhh olvidaba solicitar opinion acerca del sistema de escape, si alguien dispone de informacion o experiencia , hay dos opciones de fabricacio que estoy considerando Miltech o Silverquick agradeceria cualquier recomendacion al respecto )
Avatar de Usuario
angel16
Acelerando...
Acelerando...
Mensajes: 182
Registrado: 14 Abr 2013 12:52
Ubicación: Madrid

Re: Ruiditos tren trasero xkr

Mensaje sin leer por angel16 »

Lo que comentaba son unas gomas donde apoyan los amortiguadores traseros. Yo los estoy cambiando ahora porque tambien tengo un ruido trasero que en principio parecia del diferencial pero que tambien comentan que es muy probable que sea de los amortiguadores por lo que he empezado por esto.

Te dejo el link
http://www.ebay.es/itm/231042379442?ssP ... 1438.l2649

Saludos, Angel
Avatar de Usuario
Jag XK8R
En rodaje...
En rodaje...
Mensajes: 15
Registrado: 29 Ene 2015 21:11

Re: Ruiditos tren trasero xkr

Mensaje sin leer por Jag XK8R »

Hola Angel, efectivamente habia leido lo mismo aqui: http://www.xk8-parts.com/index.php/2012 ... 8-ccc6782/ en este proveedor , aqui dice claramente que es comun y un fallo que no pasa la itv inglesa (MOT creo alli). Esperemos q sea eso. Pero me pregunto si esta pieza viene con el amortiguador nuevo o va por separado? No lo tengo claro. Y otra cosa aplicando la logica ,ya que no soy experto en esta mecanica, si el ruido proviene del diferencial, ocurriria al acelerar y deshacelerar, en mi caso no es asi ... Sldos. Y ya comentamos .
white flamingo
En rodaje...
En rodaje...
Mensajes: 12
Registrado: 08 Mar 2015 10:42

Re: Ruiditos tren trasero xkr

Mensaje sin leer por white flamingo »

Hola Jag XK8R acabo de comprar un XKR del 2001 y tiene ese mismo ruido que comentas.

El jueves lo subimos en el elevador y vimos que las gomas de la barra estabilizadora estaban un poco dadas de sí.

Las he pedido en la sección de recambios del concesionario Jaguar de Granada. Me llegarán en unos días porque las tienen que pedir a Inglaterra me han comentado.

Cuando lleguen y se las ponga te comento si se le ha quitado el ruido o no.

Por favor si le montas la pieza que comenta angel16 dinos qué tal te ha ido por si no fuera de lo que voy a cambiar probar con eso.

Un saludo para todos
Avatar de Usuario
angel16
Acelerando...
Acelerando...
Mensajes: 182
Registrado: 14 Abr 2013 12:52
Ubicación: Madrid

Re: Ruiditos tren trasero xkr

Mensaje sin leer por angel16 »

la pieza es independiente del amortiguador. esta semana los mios estaran montados por lo que ya os comentare. Ademas de poder conocer tambien lo de las gomas de las barras estabilizadores. Os concreto que el mio es XK8
white flamingo
En rodaje...
En rodaje...
Mensajes: 12
Registrado: 08 Mar 2015 10:42

Re: Ruiditos tren trasero xkr

Mensaje sin leer por white flamingo »

Gracias angel16. Cuando lo montes coméntanos si se le ha quitado el ruido.

Yo fui ayer a la parte de recambios del concesionario y me dieron este gráfico donde viene la pieza que comentas (serían las piezas 12 y 21 del gráfico). Me quedé con el código por si no se le quita con lo que voy a probar intentarlo con esto.

Sale a 79,50+IVA cada pieza.

Lo dicho. Coméntanos cómo te ha ido.

Gracias
Adjuntos
image.jpg
Avatar de Usuario
Jag XK8R
En rodaje...
En rodaje...
Mensajes: 15
Registrado: 29 Ene 2015 21:11

Re: Ruiditos tren trasero xkr

Mensaje sin leer por Jag XK8R »

White Flamingo muy ilustrativa la foto del despiece con las referencias.
Veo que vienen ambos tipos de amortiguacion el adaptativo y el no, (CATS) Pero en ambos casos el bushing tiene la misma referencia ,es decir en ambos casos con control adaptativo y sin el son el mismo silenblok.
Lo que me parece desproporcionado es el precio , si es el que pones de 79 con algo € , En mi caso lo he pedido al especialista jaguar, que en principio parecen gente seria las piezas alternativas que creo son mas reforzads, y me ha cobrado mas o menos eso pero por dos. Ya puestos cambiare en los dos lados izqierdo y derecho.
Bueno ahora a esperar a que llege el envio de inglaterra y a montar....ya ire comentando la experiencia.

M. Gracias señores
Pd ,dejo el link por si alguien lo necesita. http://www.xk8-parts.com/index.php/2012 ... 8-ccc6782/
Avatar de Usuario
angel16
Acelerando...
Acelerando...
Mensajes: 182
Registrado: 14 Abr 2013 12:52
Ubicación: Madrid

Re: Ruiditos tren trasero xkr

Mensaje sin leer por angel16 »

Hola

Finalmente cambiamos el bushing de los amortiguadores traseros, uno de los cuales estaba bastante deteriorado, pero desafortunadamente el ruidito continua. En mi caso es un clonck al acelerar/desacelerar en marchas cortas (1ª / 2ª sobre todo) y lo hace mas cuando hay algun bachecito y/o cuando el coche no esta cuadrado, es decir, estoy dando una curva, cambio de calle, ... y las ruedas traseras no apoyan igual por lo que deberia ser algo mas relacionado con amortiguación.

Ahora estoy investigando otra pieza que tambien comentaban en el foro USA pero que no se muy bien cual puede ser, por si a vosotros os suena, se trata de una especie de ciclindro/lata que esta en la parte posterior e inferior de la transmision cerrada por una junta de goma y en el medio una barra metalica, siendo la junta la que se ha deteriorado lo que se traduce en holgura de la barra produciendo el "clonck"

Bueno a ver si finalmente damos con ello

Saludos, Angel
Avatar de Usuario
Josu XJ-S
Acelerando...
Acelerando...
Mensajes: 428
Registrado: 10 Jun 2006 11:54
Ubicación: Madrid
Contactar:

Re: Ruiditos tren trasero xkr

Mensaje sin leer por Josu XJ-S »

Sé que mi coche es otro modelo, pero hacía un clonk y era el bush de goma del anclaje trasero del conjunto motor/caja de cambios.
En mi caso la caja va suspendida con un muelle y hay un taco de goma para evitar que con el balanceo toque en los bajos.

El clonk sonaba en la mitad del coche y encontré la solución en Jaglovers.
Avatar de Usuario
angel16
Acelerando...
Acelerando...
Mensajes: 182
Registrado: 14 Abr 2013 12:52
Ubicación: Madrid

Re: Ruiditos tren trasero xkr

Mensaje sin leer por angel16 »

Pues tambien lo miraremos :prayer:
white flamingo
En rodaje...
En rodaje...
Mensajes: 12
Registrado: 08 Mar 2015 10:42

Re: Ruiditos tren trasero xkr

Mensaje sin leer por white flamingo »

Hola Ángel16. Yo le cambié las gomas de las barras estabilizadoras y el ruido sigue también. Así que he pedido la pieza que tú indicabas y el silent block de encima del muelle.

Estoy esperando a que lleguen a ver si con eso se le quita.

He encontrado que hay un capítulo del programa Joyas Sobre Ruedas en el que reparan un Jaguar XK8. Esta gente lo que hace directamente es cambiar el amortiguador y los muelles y ponen unos nuevos.

Os dejo el enlace del capítulo:

https://www.youtube.com/watch?v=0xXPiLiEtLA

Bueno cuando me lleguen las piezas iré informando. Un abrazo para todos.
white flamingo
En rodaje...
En rodaje...
Mensajes: 12
Registrado: 08 Mar 2015 10:42

Re: Ruiditos tren trasero xkr

Mensaje sin leer por white flamingo »

Hola compañeros ya se le ha quitado el ruido por fin.

Tras probar con las gomas de las barras estabilizadoras y comprobar que de ahí no provenía el ruido, solicité los silent blocks de abajo de los amortiguadores trasteros y de encima de los muelles traseros.

Finalmente era un problema de los de abajo del amortiguador como comentó angel16

Os adjunto la foto de cómo estaban

Un abrazo para todos
Adjuntos
image.jpg
image.jpg
Avatar de Usuario
angel16
Acelerando...
Acelerando...
Mensajes: 182
Registrado: 14 Abr 2013 12:52
Ubicación: Madrid

Re: Ruiditos tren trasero xkr

Mensaje sin leer por angel16 »

Hola, enhorabuena. Me alegro que lo hayas resuelto.

Me podrias comentar la referencia de lo que has cambiado (gomas de las barras estabilizadoras y los silent blocks de encima de los muelles traseros) y donde los compraste. Esperemos que si tu solución fue por donde empece yo la mía sea tu primera reparacíon. :rolleyes:

Saludos
white flamingo
En rodaje...
En rodaje...
Mensajes: 12
Registrado: 08 Mar 2015 10:42

Re: Ruiditos tren trasero xkr

Mensaje sin leer por white flamingo »

Hola angel16

Busqué los códigos de las piezas en british parts. Que tienen una aplicación para comprar por smartphone

Pero me dio un error al pagar y al final lo pedí en http://www.jagloc.com

Te paso las fotos con las referencias de las gomas (las he sacado de la aplicación de british parts)

Espero que te sirvan
Adjuntos
image.jpg
image.jpg
image.jpg
Avatar de Usuario
angel16
Acelerando...
Acelerando...
Mensajes: 182
Registrado: 14 Abr 2013 12:52
Ubicación: Madrid

Re: Ruiditos tren trasero xkr

Mensaje sin leer por angel16 »

Muchas gracias, seguire investigando/probando y ya os comentaré
Avatar de Usuario
Jag XK8R
En rodaje...
En rodaje...
Mensajes: 15
Registrado: 29 Ene 2015 21:11

Re: Ruiditos tren trasero xkr

Mensaje sin leer por Jag XK8R »

Hola a todos.

Espero hayais solucionado ya los ruiditos pues molestan bastante, y como veo segun aportais pueden venir de varias partes diferentes pues este modelo lleva bastantes silenbloks ...
Bueno yo he cambiado ya los bushing que os comente anteriormente y realmente el ruido se ha ido, ya no existe¡¡¡ aleluya que alivio. ademas veo que la conduccion ha mejorado bastante. He puesto los bush mejorados y de momento perfecto. he mejorado la frenada de paso cambiando unos discos y unas pastillas os dejo el link de los item por si necesitais :

bushing
http://www.xk8-parts.com/index.php/2012 ... 8-ccc6782/
latiguillos goodridge
http://www.adamesh.co.uk/goodridge-brak ... -915-p.asp
discos del. sloted ultimax ,- hay que buscar modelo si es brembo o ate...-
http://www.ebcbrakeshop.co.uk/files_ebc.v1

para el tema de los aceites : (para los que teneis el v8 con compresor root (los xkr) os aconsejo cambieis el aceite del Eaton M112 cada 80 o 100 mil kms. yo lo he hecho y es sumamente sencillo, hay un post que lo explica. Asi como el aceite del cambio automatico y su filtro que hare en breve... la casa dice que estos aseites son de por vida pero es muy recomendable cambiarlos ...
Adjuntos
dicos delanteros
dicos delanteros
ultimax_sport_discs-380-380.jpg (25.14 KiB) Visto 20608 veces
pastillas para pinzas ate
pastillas para pinzas ate
new-cat-yellowstuff-fastest-street.jpg (15.25 KiB) Visto 20608 veces
bush mejorado
bush mejorado
Rear-ShockAbsorber-Bush-XK8-e1358015532770.jpg (25.13 KiB) Visto 20609 veces
latiguillos
latiguillos
goodridge-brake-line-kit-915-p[ekm]200x133[ekm].jpg (6.08 KiB) Visto 20609 veces
frc
Acelerando...
Acelerando...
Mensajes: 370
Registrado: 16 Jun 2006 11:40

Re: Ruiditos tren trasero xkr

Mensaje sin leer por frc »

Hola.

un post sumamente interesante, pero cada vez que aparece uno de estos, me pongo tiritando por eso de loa barbas a remojar...pues tarde o temprano al mio le aparecerán esos ruidos y males.....

Por cierto, el cambiar el aceite del compresor en los XKR, algo nuevo para mi, desconocía ese extremo, como se hace, cual es la capacidad de aceite?????.

Saludos.
Avatar de Usuario
Jag XK8R
En rodaje...
En rodaje...
Mensajes: 15
Registrado: 29 Ene 2015 21:11

Re: Ruiditos tren trasero xkr

Mensaje sin leer por Jag XK8R »

Hola frc,
El compresor root Eaton m112 que llevan montados de serie los XKR tiene una cavidad de 225 cc ,es aceite de turbina ESTO ES IMPORTANTE no es el mismo aceite que se le pone al motor, tiene otra especificacion, y es facil de cambiar se hace con una jeringa gordita y un macarron de pvc o similar intentare conseguir alguna foto ilustrativa y subirla desde el pc de casa... Primeramente se extrae con la jeringa el aceite viejo y luego se recarga con esta misma jeringa un aceite nuevo. en mi caso saque el tapon con una punta torx 3.0 mm y una rachet plana , pero en otros modelos parece es un tapon para allen de 3/16". Dependera entiendo, del mercado donde proceda el vehiculo...
Saludo
frc
Acelerando...
Acelerando...
Mensajes: 370
Registrado: 16 Jun 2006 11:40

Re: Ruiditos tren trasero xkr

Mensaje sin leer por frc »

Jag XK8R escribió:Hola frc,
El compresor root Eaton m112 que llevan montados de serie los XKR tiene una cavidad de 225 cc ,es aceite de turbina ESTO ES IMPORTANTE no es el mismo aceite que se le pone al motor, tiene otra especificacion, y es facil de cambiar se hace con una jeringa gordita y un macarron de pvc o similar intentare conseguir alguna foto ilustrativa y subirla desde el pc de casa... Primeramente se extrae con la jeringa el aceite viejo y luego se recarga con esta misma jeringa un aceite nuevo. en mi caso saque el tapon con una punta torx 3.0 mm y una rachet plana , pero en otros modelos parece es un tapon para allen de 3/16". Dependera entiendo, del mercado donde proceda el vehiculo...
Saludo
Muchas gracias por la información, imagino que el tapón de sacado-llenado del compresor es el que está en la parte superior del mismo y que se abre, en mi coche con una llave allen. Al cambiar el aceite ira este mas suave y después de 120.000 km vendrá muy bien hacer el cambio.

Si puedes conseguir un reportaje gráfico, pues mucho mejor.

Saludos.
Avatar de Usuario
Jag XK8R
En rodaje...
En rodaje...
Mensajes: 15
Registrado: 29 Ene 2015 21:11

Re: Ruiditos tren trasero xkr

Mensaje sin leer por Jag XK8R »

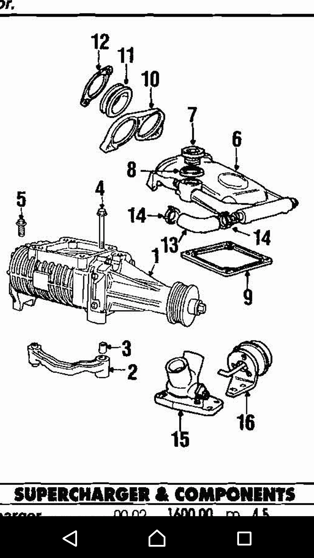
Compresor root m112
Compresor root m112
Frc,
Negativo, ese tapon grande que va en la parte superior(7) , el de la allen grande NO ES para el aceite. Haber si puedo subir alguna foto.
El tapor del aceite es bastante mas pequeño. Y va en el frontal /abajo e izquierda del supercargador(es justo la otra zona de la vista hacia tras del (1) en zona izquierda.
Lo meor es intentar subir alguna foto como ilustracion pues este despiece no muestra el taponcillo.
(El tapon 7 es para refrigerante)
Avatar de Usuario
Jag XK8R
En rodaje...
En rodaje...
Mensajes: 15
Registrado: 29 Ene 2015 21:11

Re: Ruiditos tren trasero xkr

Mensaje sin leer por Jag XK8R »

Zona de taponcillo de aceite compresor m112
Zona de taponcillo de aceite compresor m112
Torx 3.0 mm y rachet utilizada en.mi caso
Torx 3.0 mm y rachet utilizada en.mi caso
Espero que estas ilustraciones os sirvan de ayuda.
El tapon tiene una junta torica (o'ring) por tanto no es necesario apretar excesivamente.
Para aflojar quizas sea necesario usar aceite penetrante o aflojatodo si no sale a la primera...

Saludo.
frc
Acelerando...
Acelerando...
Mensajes: 370
Registrado: 16 Jun 2006 11:40

Re: Ruiditos tren trasero xkr

Mensaje sin leer por frc »

Muchisimas gracias por la ilustrada información, el problema para mi es que no soy nada manitas para estos menesteres y tendré que depender de un mecánico experto para que me haga el cambio, pues aunque a priori no parece ser que el cambio de aceite sea muy engorroso hay que saber como se hace.

Saludos cordiales.
Responder